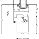
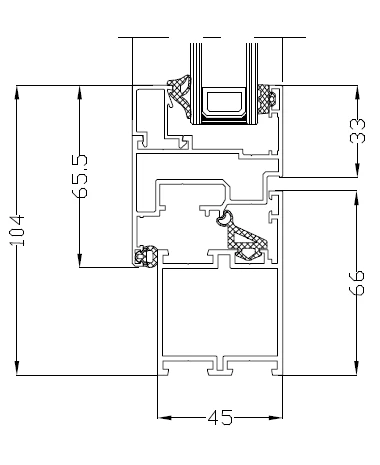
MB-45

Available colors

Choose the colour that suits you. Over 30 veneer colours to choose from.

Selected color:
Green beige RAL 1000
Green beige
Beige
Sand yellow
Signal yellow
Golden yellow
Honey yellow
Maize yellow
Daffodil yellow
Brown beige
Lemon yellow
Oyster white
Ivory
Light ivory
Sulfur yellow
Saffron yellow
Zinc yellow
Grey beige
Olive yellow
Rape yellow
Traffic yellow
Ochre yellow
Luminous yellow
Curry
Melon yellow
Broom yellow
Dahlia yellow
Pastel yellow
Pearl beige
Pearl gold
Sun yellow
Yellow orange
Red orange
Vermilion
Pastel orange
Pure orange
Luminous orange
Luminous bright orange
Bright red orange
Traffic orange
Signal orange
Deep orange
Salmon orange
Pearl orange
Flame red
Signal red
Carmine red
Ruby red
Purple red
Wine red
Black red
Oxide red
Brown red
Beige red
Tomato red
Antique pink
Light pink
Coral red
Rose
Strawberry red
Traffic red
Salmon pink
Luminous red
Luminous bright red
Raspberry red
Pure red
Orient red
Pearl ruby red
Pearl pink
Red lilac
Red violet
Heather violet
Claret violet
Blue lilac
Traffic purple
Purple violet
Signal violet
Pastel violet
Telemagenta
Pearl violet
Pearl blackberry
Violet blue
Green blue
Ultramarine blue
Sapphire blue
Black blue
Signal blue
Brilliant blue
Grey blue
Azure blue
Gentian blue
Steel blue
Light blue
Cobalt blue
Pigeon blue
Sky blue
Traffic blue
Turquoise blue
Capri blue
Ocean blue
Water blue
Night blue
Distant blue
Pastel blue
Pearl gentian blue
Pearl night blue
Patina green
Emerald green
Leaf green
Olive green
Blue green
Moss green
Grey olive
Bottle green
Brown green
Fir green
Grass green
Reseda green
Black green
Reed green
Yellow olive
Black olive
Turquoise green
May green
Yellow green
Pastel green
Chrome green
Pale green
Olive drab
Traffic green
Fern green
Opal green
Light green
Pine green
Mint green
Signal green
Mint turquoise
Pastel turquoise
Pearl green
Pearl opal green
Pure green
Luminous green
Squirrel grey
Silver grey
Olive grey
Moss grey
Signal grey
Mouse grey
Beige grey
Khaki grey
Green grey
Tarpaulin grey
Iron grey
Basalt grey
Brown grey
Slate grey
Anthracite grey
Black grey
Umbra grey
Concrete grey
Graphite grey
Granite grey
Stone grey
Blue grey
Pebble grey
Cement grey
Yellow grey
Light grey
Platinum grey
Dusty grey
Agate grey
Quartz grey
Window grey
Traffic grey A
Traffic grey B
Silk grey
Telegrey 1
Telegrey 2
Telegrey 4
Pearl mouse grey
Green brown
Ochre brown
Signal brown
Clay brown
Copper brown
Fawn brown
Olive brown
Nut brown
Red brown
Sepia brown
Chestnut brown
Mahogany brown
Chocolate brown
Grey brown
Black brown
Orange brown
Beige brown
Pale brown
Terra brown
Pearl copper
Cream
Grey white
Signal white
Signal black
Jet black
White aluminium
Grey aluminium
Pure white
Graphite black
Traffic white
Traffic black
Papyrus white
Pearl light grey
Pearl dark grey
MB-45

Questions?
Let us find the best solution.

Write to us and get a quick response from our team.

Get in touch
Product URL

I agree to the processing of my data in accordance with the privacy policy.

Inspirations

Discover our inspirations and find the perfect solution for your place.

See all

Tell us about your challenges, and together we'll find a solution!

Get a Quote

Need a quick answer?

Leave your contact and we’ll get back to you first.

+1

    I agree to the processing of my data in accordance with the privacy policy.

    Submit